咨询热线
021-59813771
网站公告:
诚信为本:市场永远在变,诚信永远不变。
网站首页
关于我们
产品展示
INA FAG轴承
INA直线导轨
直线球轴承和光轴
SKF轴承
滚珠导轨-LLT
微型导轨
滚柱丝杠
精密滚珠丝杠
新闻资讯
中国工业4.0之路
2020上半年中国塑料机械市场市场发展现状分析 行业稳步复苏
机械自动化的发展要求被重新更新起来
技术知识
FAG轴承热处理技术
教您区分普通INA轴承与振动轴承
FAG圆锥滚子轴承旋转精度的定期检查与矫正
滚动轴承及滑动轴承
在线留言
联系我们
产品展示
PRODUCT
INA FAG轴承
INA直线导轨
直线球轴承和光轴
SKF轴承
滚珠导轨-LLT
微型导轨
滚柱丝杠
精密滚珠丝杠
新闻资讯
NEWS
舍弗勒滑动轴承:75周年的成功发展历程
中国工业4.0之路
2020上半年中国塑料机械市场市场发展现状分析 行业稳步复苏
机械自动化的发展要求被重新更新起来
咨询热线
021-59813771
手机:
021-59813771
电话:
021-59813771
地址:
上海市嘉定区安亭镇墨玉路28号嘉正国际大厦 1315室
邮箱:
info@caiantrading.com
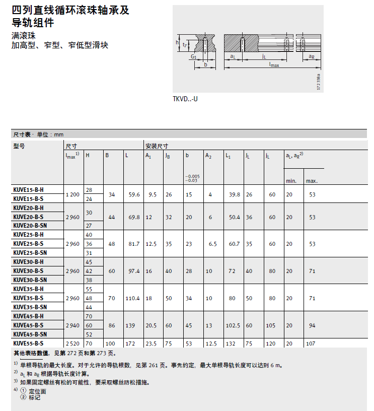
INA 4排球BH BS BSN系列
当前位置:
首页
>
产品展示
>
INA直线导轨
>
INA 4排球BH BS BSN系列
INA 4排球BH BS BSN系列
发布时间:2023-02-18 18:21:15
点击量:
766
上一篇:没有了
下一篇:没有了
返回列表
友情链接:
efcms
百度
网站首页
关于我们
产品展示
新闻资讯
技术知识
在线留言
联系我们
电话:021-59813771
手机:021-59813771
QQ:12345678